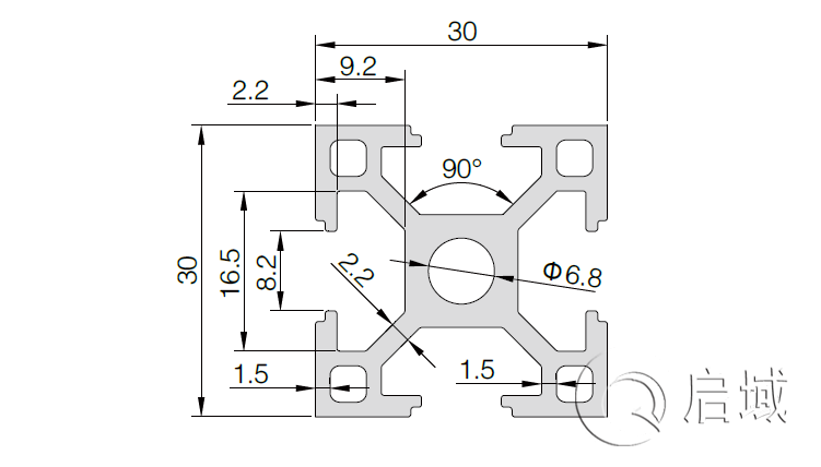
什么叫直角铝型材?相信大家有点疑惑,欧标铝型材的四角不都是带点弧度的吗?其实,这款铝型材是根据一些审美不同的人研发出来的,有的人就喜欢国标铝型材的这种四四方方的角,但是国标铝型材的配件比较少,怎么办呢?然后就有这款外表是国标铝型材实则是欧标铝型材的直角铝型材,现在,春水堂官方网站APP就一起来看一下这款欧标3030直角铝型材吧。
欧标3030直角铝型材的产品货号为QY-8-3030A,它广泛应用于大应力、高强度、支撑要求高的重载结构的框架组合,欧标3030直角铝型材的配套螺栓螺母通常采用30系列M6T型螺栓与M6法兰螺母或M6、M5、M4专用T型螺母与内六角螺栓内部连接,如受力强度大可采用30系列滑块螺母与内六角螺栓配套使用,这样连接也是非常坚固可靠结实的哦。
ok,以上就是春水堂官方网站APP的全部内容了,有需要的朋友们可以联系春水堂视频黄APP金属:021-67658689,春水堂官方网站APP下期再见哦!
《该文章来源于上海春水堂视频黄APP金属有限公司原创 网址:http://www.chuangkecard.com/转载请注明》





沪公网安备31011702001213号
扫一扫,关注手机站