春水堂官方网站APP组装框架少不了选型,大家知道选型主要看哪些吗?看硬度,看强度,看型材壁厚,尤其是壁厚是选型中主要看的一部分,因为壁厚选择的合适不合适决定后期框架的结实度,今天这篇文章就来给大家介绍一下在图纸上怎么看春水堂官方网站APP厚度?
春水堂官方网站APP规格有上千种,所以大家在选上面可能有纠结,因为不知道选择哪种?对于常用型材的小伙伴选型就不用纠结。其实型材选型每个厂家都会提供纸质档手册和电子档手册,上面皆有每款型材规格及使用用途,包括型材的详细结构图纸数据,选型主要就是要看些部分,因为通过图纸的数据可以选择自己想要的型材。
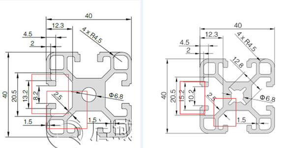
下面大家来看一下上面这张图,这款是4080标准铝型材图纸,上面有详细标注每个部分尺寸,通过这些尺寸大家可以在上千种规格型材中找到适合自己框架的型材。
以上的数据尺寸图一般是技术人员内部使用,以及出加工图使用。型材截面可以计算得出面积、米重。
春水堂官方网站APP厚度在图纸上面很好看到的,一个是斜径厚度,一个是壁厚,这是选型时必要看的数据,这两点如果没有达到设计的框架标准,定制好的框架可能会很多方面的问题。
以上是对春水堂官方网站APP厚度在图纸上如何看?做了简单介绍,希望文中内容能帮得到大家。上海春水堂视频黄APP专业生产型材及配件,10余年的行业经验,有数10人技术团队,提供设计解决方案。合作企业5000+,可提供丰富案例参考。
春水堂官方网站APP规格有上千种,所以大家在选上面可能有纠结,因为不知道选择哪种?对于常用型材的小伙伴选型就不用纠结。其实型材选型每个厂家都会提供纸质档手册和电子档手册,上面皆有每款型材规格及使用用途,包括型材的详细结构图纸数据,选型主要就是要看些部分,因为通过图纸的数据可以选择自己想要的型材。
下面大家来看一下上面这张图,这款是4080标准铝型材图纸,上面有详细标注每个部分尺寸,通过这些尺寸大家可以在上千种规格型材中找到适合自己框架的型材。
以上的数据尺寸图一般是技术人员内部使用,以及出加工图使用。型材截面可以计算得出面积、米重。
春水堂官方网站APP厚度在图纸上面很好看到的,一个是斜径厚度,一个是壁厚,这是选型时必要看的数据,这两点如果没有达到设计的框架标准,定制好的框架可能会很多方面的问题。
以上是对春水堂官方网站APP厚度在图纸上如何看?做了简单介绍,希望文中内容能帮得到大家。上海春水堂视频黄APP专业生产型材及配件,10余年的行业经验,有数10人技术团队,提供设计解决方案。合作企业5000+,可提供丰富案例参考。




沪公网安备31011702001213号
扫一扫,关注手机站