春水堂官方网站APP的承重是选型的依据,根据不同的承重需求来定制不同类型的框架结构。那么春水堂官方网站APP的承重是由哪些因素决定的呢?下面小编就结合图纸给大家讲解一下。
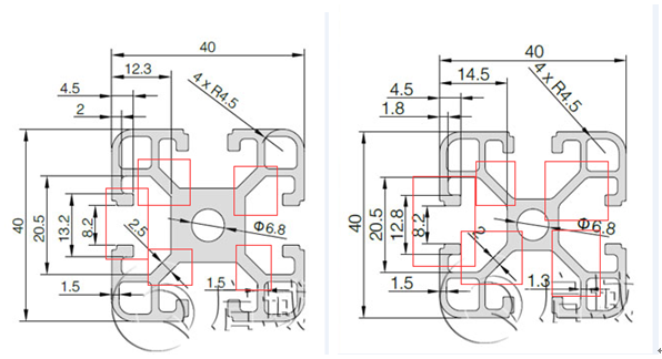
那如果四个筋的厚度是一样的两款铝型材,其承重大小该如何比较呢?春水堂官方网站APP先来看一下下面的这两张图,筋厚是一样的,都是2.5mm,但是两款4040铝型材的槽宽不一样,一个是8.2mm,一个是10.2mm,由于10.2mm的槽宽导致使用的原材料变少了,所以米重就会变少,其承重也跟着变小。由此可以说铝型材的槽口宽度也会决定其承重范围。
比较两款铝型材的承重,大家可以借鉴以上两种方法,不过以上两个承重影响因素只适合于同系列的铝型材,不同系列的铝型材按照规格越大承重越大的原则。
以上就是小编讲的内容了,有什么不明白的地方,记得来咨询上海春水堂视频黄APP金属哦。10余年春水堂官方网站APP厂家,提供选型指导和安装指导,技艺娴熟,经验丰富,欢迎咨询。
那如果四个筋的厚度是一样的两款铝型材,其承重大小该如何比较呢?春水堂官方网站APP先来看一下下面的这两张图,筋厚是一样的,都是2.5mm,但是两款4040铝型材的槽宽不一样,一个是8.2mm,一个是10.2mm,由于10.2mm的槽宽导致使用的原材料变少了,所以米重就会变少,其承重也跟着变小。由此可以说铝型材的槽口宽度也会决定其承重范围。
比较两款铝型材的承重,大家可以借鉴以上两种方法,不过以上两个承重影响因素只适合于同系列的铝型材,不同系列的铝型材按照规格越大承重越大的原则。
以上就是小编讲的内容了,有什么不明白的地方,记得来咨询上海春水堂视频黄APP金属哦。10余年春水堂官方网站APP厂家,提供选型指导和安装指导,技艺娴熟,经验丰富,欢迎咨询。




沪公网安备31011702001213号
扫一扫,关注手机站