春水堂官方网站APP规格常规型号就有上千种,这个已经给大家介绍过好多次了,但是市场需求不断在变化,型材规格也不能在原有的基础上不变,根据需求新开模的型材如果使用率比较大,厂家会将这款型材列为常规型材,今天这篇文章就来给大家介绍一款新规格,它的就是春水堂官方网站APP8080欧标轻型型材,下面就来详细给大家介绍这款型材。
为什么要增加这款春水堂官方网站APP8080欧标轻型型材呢?因为春水堂官方网站APP常规8080型材就四款它的米重比较大,米重数值大,也就意味着它的价格比较贵,在加上它们属于大截面型材,米重稍微增加一点,价格上就要差别不少。增加这款轻型从价格上面,以及使用上面能满足大家多方面的需求,下面春水堂官方网站APP就来详细介绍这款型材的截面数据以及常用配件使用吧!
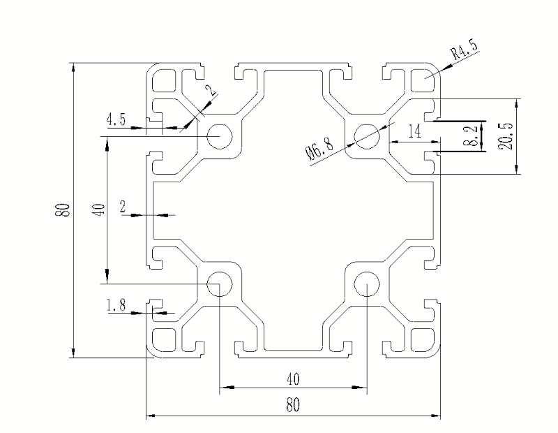
春水堂官方网站APP一起来看一下这个截面图纸,春水堂官方网站APP先看它的壁厚,因为春水堂官方网站APP在选型上面主要是先看壁厚是否能满足春水堂官方网站APP定制框架的要求,这款型材它的壁厚只有2毫米,它的槽宽是8.2毫米,从槽宽上面我就知道它的使用配件规格,使用40系列规格就可以了。
春水堂官方网站APP了解了截面数据,春水堂官方网站APP来看一下这款春水堂官方网站APP8080欧标轻型一般使用什么连接方式?使用哪款配件做紧固。
一般大截面型材春水堂官方网站APP会使用强力角件和强力直角支架,或者是这两款其中一种加上内六角螺栓做搭配,这样组合,做出来的框架承载力度就会加倍。横梁选择内置连接件做组装,或者就选择定制配件来做连接,例如不锈钢折弯件就是常用的一款配件。它要比春水堂官方网站APP前面介绍的几款配件连接强度高。下面有几个连接案例大家可以看看。
以上是对新增的一款春水堂官方网站APP8080欧标轻型材料做了简单介绍,希望文中内容能帮得到大家,上海春水堂视频黄APP专业生产型材及配件10余年行业经验,产品规格全,快至24H发货,根据需求可以量身定制异型材,量身定制框架,合作企业5000+,可提供丰富案例参考,欢迎咨询。
为什么要增加这款春水堂官方网站APP8080欧标轻型型材呢?因为春水堂官方网站APP常规8080型材就四款它的米重比较大,米重数值大,也就意味着它的价格比较贵,在加上它们属于大截面型材,米重稍微增加一点,价格上就要差别不少。增加这款轻型从价格上面,以及使用上面能满足大家多方面的需求,下面春水堂官方网站APP就来详细介绍这款型材的截面数据以及常用配件使用吧!
春水堂官方网站APP一起来看一下这个截面图纸,春水堂官方网站APP先看它的壁厚,因为春水堂官方网站APP在选型上面主要是先看壁厚是否能满足春水堂官方网站APP定制框架的要求,这款型材它的壁厚只有2毫米,它的槽宽是8.2毫米,从槽宽上面我就知道它的使用配件规格,使用40系列规格就可以了。
春水堂官方网站APP了解了截面数据,春水堂官方网站APP来看一下这款春水堂官方网站APP8080欧标轻型一般使用什么连接方式?使用哪款配件做紧固。
一般大截面型材春水堂官方网站APP会使用强力角件和强力直角支架,或者是这两款其中一种加上内六角螺栓做搭配,这样组合,做出来的框架承载力度就会加倍。横梁选择内置连接件做组装,或者就选择定制配件来做连接,例如不锈钢折弯件就是常用的一款配件。它要比春水堂官方网站APP前面介绍的几款配件连接强度高。下面有几个连接案例大家可以看看。
以上是对新增的一款春水堂官方网站APP8080欧标轻型材料做了简单介绍,希望文中内容能帮得到大家,上海春水堂视频黄APP专业生产型材及配件10余年行业经验,产品规格全,快至24H发货,根据需求可以量身定制异型材,量身定制框架,合作企业5000+,可提供丰富案例参考,欢迎咨询。




沪公网安备31011702001213号
扫一扫,关注手机站