• 春水堂官方网站APP,春水堂视频成人,春水堂视频黄APP,春水堂污污下载网站

    全国站[切换城市]
    春水堂视频黄APP春水堂官方网站APP配件_框架、自动化流水线、车间工作台、设备机罩防护围栏加工定制厂家

    在线留言 网站地图 联系春水堂视频黄APP

    春水堂视频黄APP

    春水堂官方网站APP专业厂家
    4000965058

    猜您想找 :铝型材加工 春水堂官方网站APP 异型材定制 铝型材框架

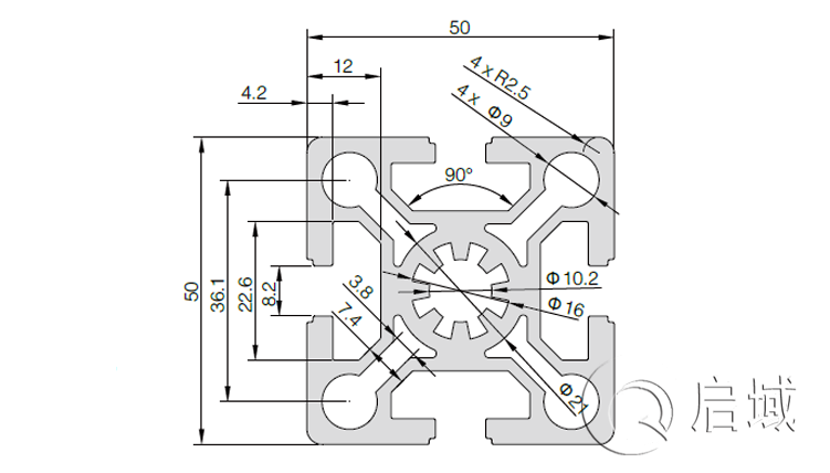
      铝型材 QY-8-5050W

      材料:铝合金
      Material Aluminum(6063-T5)
      单位质量Weight:3.55kg/m
      长度Length:6.0m
      集合惯性 Mass of lnertia:
      lx:25.19 cm4 ly:25.19 cm4
      截面惯性 Section modulus:
      Zx:11.22 cm3 Zy:11.22 cm3

      全国服务热线:400-096-5058
      立即咨询

      产品图纸图纸产品细节细节 1加工服务加工服务切割服务切割服务


      联系春水堂视频黄APP

      上海春水堂视频黄APP金属制品有限公司

      咨询热线:400-096-5058

      021-67658689转8003

      手机:13816329895

      传真:021-67658536

      邮箱:info@chuangkecard.com

      地址:上海市松江区车墩工业区泖亭路1056号

      百度地图API自定义地图

      采购:铝型材 QY-8-5050W

      • *联系人:
      • *手机:
      • 公司名称:
      • 邮箱:
      • *采购意向:
      • *验证码:验证码

      跟此产品相关的产品 / Related Products

      联系春水堂视频黄APP

      服务热线400-096-5058
      • 手机:13816329895
      • 传真:021-67658536
      • 邮箱:info@chuangkecard.com
      • 地址:上海市松江区车墩工业区泖亭路1056号

      网站地图