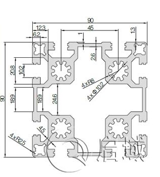
9090春水堂官方网站APP也就是体现截面尺寸,选择这款型材来做框架,从截面图纸上面春水堂官方网站APP能找到很多需要的数据参数,这些参数意味着能计算出用它来定制框架能否达到我所要的承重,这款9090春水堂官方网站APP在市面上常规规格不多,下面通过这两张三维图纸春水堂官方网站APP来了解一下具体参数,看图纸上面体现哪些数据。
以上是对9090春水堂官方网站APP截面参数做了简单介绍,上海春水堂视频黄APP10余年厂家型材及配件规格齐全,每款产品样册上面选型参考数据,可以致电厂家,可提供样品和样册的邮寄。
以上是对9090春水堂官方网站APP截面参数做了简单介绍,上海春水堂视频黄APP10余年厂家型材及配件规格齐全,每款产品样册上面选型参考数据,可以致电厂家,可提供样品和样册的邮寄。




沪公网安备31011702001213号
扫一扫,关注手机站